沧州华信不锈钢制品有限公司|普通管件|球阀|快速接头|由任
 
 
  管件系列 >> 圆管帽



     

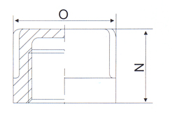
圆管帽


1∕8″

1∕4″

3∕8″

1∕2″

3∕4″

1″

1-1∕4 ″

1-1∕2″

2″

2-1∕2 ″

3″

4″

O

13.50

17.00

20.00

25.50

31.00

38.50

49.00

53.20

65.50

83.40

97.50

123.50

N

12.10

14.70

16.00

19.50

20.50

24.50

29.00

29.50

33.20

33.50

34.20

37.20

 点击数:2035  录入时间:2012/4/11 【打印此页】 【返回

沧州华信不锈钢制品有限公司 地址:沧州市开发区南1公里沧盐路北 冀ICP备06013686号-1
电话:0317-3092598 传真:0317-3092599 http://www.chinahxss.com